С19П В Качестве Кенотрона
Вегалаб - Однотактный ламповый усилитель на триодах. Разделы Для памяти: Кто на сайте Сейчас на сайте: Гостей - 288 Однотактный ламповый усилитель на триодах. Пузанов понедельник, 05 Июнь 2006 Прежде всего, разрешите поблагодарить радиолюбителей, приславших свои отзывы в ответ на публикации моих статей в журналах и Интернете.
Во всех описанных выше схемах в качестве. Напряжение накала этого кенотрона 30.
Подавляющее большинство удовлетворено звучанием усилителей и практически ни у кого не возникло особых трудностей при повторении описанных конструкций. Если Вы помните, то в статье «Однотактный ламповый, возвращаясь к напечатанному» я обещал привести описания и схемы усилителей, в выходных каскадах которых используются триоды. С удовольствием выполняю своё обещание. Вначале несколько общих моментов, позволяющих прояснить выбор схемотехники усилителей, о которых я буду рассказывать, применяемых в них радиодеталей и т.д. Ассортимент прямонакальных ламп, к тому же относительно доступных, ограничивается несколькими типами. Это 300 B, 2А3, 6С4С, 6В4G, ГМ70. Выбор триодов косвенного накала, в основном предназначенных для стабилизаторов напряжения, тоже не очень большой.
- 3 EDD1 1 UBF11 2 ECHII 1 6П3С 1 6Д20П 1 С19П 1 6Ф5П 1 6С19П 1 6Е1П 1. Предназначенный для работы в качестве гетеродина, преобразователя. Высоковольтный кенотрон 1Ц21П: напряжение накала ~1,4 в, ток накала.
- На аноде второго кенотрона в это время. То в качестве кенотрона можно использовать.
Это 6С19П, 6С41С, 6С33С, а также двойные триоды 6Н5С и 6Н13С. Несмотря на то, что есть ряд однотактных конструкций на лампах 6Н5С, 6Н13С, нужно отметить, что вольт амперные характеристики (ВАХ) этих ламп менее линейны, а коэффициент нелинейных искажений (КНИ) высок (достигает 10% при номинальной мощности и соотношении Ra/Ri=4), в то время как у 6С19П, 6С41С, 6С33С он не превышает 3% при сходных условиях.
Поэтому 6Н5С, 6Н13С лучше применять в двухтактных каскадах. Каждая из перечисленных ламп имеет своё неповторимое звучание, поэтому в двух словах очень трудно охарактеризовать его. Я изложу своё восприятие, а соглашаться с ним или нет, Ваше право. ГМ70 – широта и масштабность.
На этой лампе можно создать усилитель с выходной мощностью более 20Вт!!! Напряжение на аноде лампы может доходить до 1000 вольт, ток анода - до 125ма, поэтому выходные трансформаторы должны иметь высокую электрическую прочность (примерно 3 киловольта). Звучание очень мощное и, как мне кажется, немного прямолинейное. Мелкие нюансы музыкального произведения как бы подавлены этой мощью и напором, а мне нравится более деликатное звучание. В общем – на любителя. 2А3, 6С4С – очень красивое, детальное и певучее звучание.
Я бы назвал его «уютным и домашним», но вместе с тем - точным. Лампы представляют собой двуханодные конструкции с общей перемычкой и отличаются напряжением и током накала. У 6С4С нити накала внутри баллона соединены последовательно, а у 2А3 параллельно. Как Вы понимаете, это влияет на уровень фона. В случае применения 2А3 можно питать цепь накала переменным током, а вот в случае применения 6С4С – лучше постоянным. 6B4G – западный аналог 6С4С.
Отличается чуть более аналитичным звучанием. Поскольку 6С4С и 6B 4G имеют одинаковую цоколёвку, то можно выявить свои предпочтения путём простой замены одной лампы на другую. Кстати, Саратовский «Рефлектор» выпускает и одноанодную версию с такими же ВАХ и параметрами. 300B – считается «королевой»прямонакальных триодов. По моему мнению, лампа занимает промежуточное положение между ГМ70 с одной стороны, и 2А3, 6С4С, 6B4G с другой, сочетая (в разумной степени) достоинства этих двух типов ламп. Выходная мощность однотактного усилителя на лампе 300B составляет 8,0Вт, против 2,5-3,0Вт у 2А3 и 6С4С, при достаточно детальном и наполненном звучании.
К сожалению, звучание прямонакальных триодов, особенно это относится к лампе 300B, очень сильно зависит от года выпуска и производителя. Мне удалось прослушать несколько современных усилителей на этой лампе. Мягко говоря, я был удивлён и разочарован. Классическую музыку они воспроизводили без проблем, а вот современную и динамичную, невыразительно и тоскливо.
Причина (с моей точки зрения) в том, что лампы 300В были включены в режиме с автоматическим смещением, а эта лампа звучит лучше всего с фиксированным. И лишь один из усилителей показал достойное звучание. Мне не разрешили снять кожух (очевидно разработчик боялся разглашения своих фирменных секретов), но, по его словам, лампы 300B были импортные, 1958 года выпуска, и смещение было фиксированным.
Усилитель прекрасно справлялся с любым музыкальным материалом, обеспечивая полноценное звучание. 6С19П – из семейства триодов с косвенным накалом, самая маломощная (Pa=11Вт). Зарубежных аналогов – нет. Поэтому при применении одной такой лампы в усилителе, приходится довольствоваться тремя ваттами выходной мощности. А вот если установить две лампы, включив их параллельно, выходная мощность возрастёт до 6Вт.
Звучание достаточно красивое и детальное, поэтому смело можно применять эти приборы в выходных каскадах усилителей. Естественно, в этом случае нужно подбирать лампы по парам или принимать меры по выравниванию их параметров. 6С41С – тоже триод с косвенным накалом (Pa=25Вт), имеет приблизительный зарубежный аналог EC360, причём с октальным цоколем. В Интернете на различных форумах мне приходилось встречать самые разные оценки звучания этой лампы, причём абсолютно противоположные. Не буду цитировать авторов этих высказываний, так как по моему мнению, большинство из них ничего не делали на этом триоде, поскольку ни режимов работы, ни схем включения никто не обсуждал. Мой опыт применения лампы 6С41С в выходном каскаде однотактного лампового усилителя, а также опыт А. Стародубцева, позволяет сказать, что 6С41С – великолепно звучащая лампа, причём с любым типом смещения.
Отличный, хорошо артикулированный бас и очень объёмная и детальная звукопередача – признаки звучания 6С41С. Кроме этого, вы удивитесь, мощность однотактного каскада на ней составляет около 7 ватт! Звучание 6С41С чем-то похоже на 300В с фиксированным смещением, причём не из самых плохих экземпляров.
Но лампа 300В немного проигрывает лампе 6С41С (это не только моё мнение) в динамике. Недостатками чисто конструктивного характера, можно считать необходимость покупки специальных (не дешёвых) ламповых панелек и большой ток накала. Некоторые конструкторы так же считают недостатком большее время «вхождения в режим» (примерно 20-30 минут), по сравнению с прямонакальными лампами. Однако я не считаю этот факт недостатком, скорее особенностью, потому что любой ламповый усилитель начинает звучать лучше после 20-30 минутного прогрева.
Такие очевидные достоинства, как отличное звучание, высокая выходная мощность, отсутствие проблем с фоном, присущих прямонакальным лампам, более простой выходной трансформатор (достаточно Ra=800ом) из-за низкого внутреннего сопротивления лампы (что тоже хорошо) и т.д. – с лихвой компенсируют эти недостатки. 6С33С (6П18С) – очень мощный триод косвенного накала (Pa=60Вт).
Западных аналогов не имеет. Лампа уже давно применяется в усилителях, много схем опубликовано в различных изданиях и Интернете. Нужно сказать, что этот прибор лучше всего использовать в режиме с автоматическим смещением из-за временной и температурной нестабильности и склонности к саморазогреву. Звучание лампы в однотактном усилителе я бы охарактеризовал как несколько приземлённое и тяжеловесное, с отсутствием воздуха, но это лишь моё мнение, поэтому выбор я оставляю за Вами. Подчёркиваю, речь идёт об однотактном ламповом усилителе с выходным трансформатором.
Клячина дома я слушал усилитель на 6С33С, выполненный по схеме без выходных трансформаторов (OTL), так вот, тот усилитель звучал отлично. Выходная мощность усилителя при применении 6С33С (6П18С) составит около 12Вт. Лампа ещё более длительное время «входит в режим», по сравнению с 6С41С.
Теперь немного поговорим о выходной мощности вообще. Для анализа я позволю себе ввести термин «комфортная мощность». Это, как правило, мощность, на которой аппарат работает длительное время, звучание его не раздражает и позволяет обеспечить наиболее выразительное исполнение всех нюансов музыкального произведения.
Так вот, оказалось, что для меня в комнате площадью 18 квадратных метров, «комфортная мощность» составила около 0,5Вт на канал. Подавляющее большинство моих друзей, имеющих однотактные ламповые усилители, подтвердили этот факт.
У кого-то было 0,4Вт на канал, у кого-то 0,7Вт на канал, в целом, цифры были похожи. Чувствуете, к чему я клоню? Учитывая, что максимальная выходная мощность на канал в 2,5-3,0Вт для наших квартир более чем достаточна, а также большую дефицитность и дороговизну хороших ламп 300B, выбор пал на применение в выходном каскаде прямонакальных триодов 6С4С, 2А3 или 6B4G. Если же Вам нужен усилитель мощнее, примените триоды косвенного накала 6С19П, 6С41С. Одним из недостатков триодов принято считать большое напряжение раскачки. Рассмотрим поподробнее этот момент.
Открываем нашу любимую программу SE Amp CAD и моделируем каскад на лампе 6B4. При напряжении питания около 300 вольт и токе 55ма выходная мощность при применении трансформатора с Ra=4ком составит 2,44Вт при напряжении на входе около 40 вольт. Глупо было бы не учитывать и тот факт, что выходное напряжение современных CD проигрывателей с ЦАПами дельта-сигма и операционными усилителями на аналоговых выходах составляет 2,0 вольта номинально (мой Rotel RCD-02S имеет выходное сопротивление 100ом и номинальное выходное напряжение 2,0 вольта, соответственно амплитудное – 2,8 вольта). Поэтому 40 вольт для раскачки выходного триода можно получить от простого предварительного каскада на резисторах, применив лампу с нужным Вам коэффициентом усиления. В моём случае этому условию полностью удовлетворяют лампы 6С5С, 6С2С или 6Н8С.
Фильмы В Качестве Hd
Они очень линейны и имеют глубокий раскрыв анодных характеристик при смещении на сетке вплоть до -24 вольт. Кроме этого данные типы ламп прекрасно подходят для работы с прямонакальными триодами взаимно компенсируя искажения друг друга. Если же выходное напряжение вашего источника сигнала небольшое, то можно поступить следующим образом.
Во-первых, можно применить лампу с большим коэффициентом усиления, например 6Н9С, 6Н2П, ЕСС83, E41CC. Во-вторых, применить разделительный трансформатор с коэффициентом 1:2. В-третьих, использовать в качестве лампы предварительного каскада пентод (тетрод). Противникам применения пентодов могу сказать, что лучшие образцы однотактных ламповых усилителей прошлого века, имели именно пентод во входном каскаде, а их звучание до сих пор считается эталонным. Чуть ниже я приведу схемы предварительных ламповых каскадов на пентоде и схему, в которой используется разделительный трансформатор.
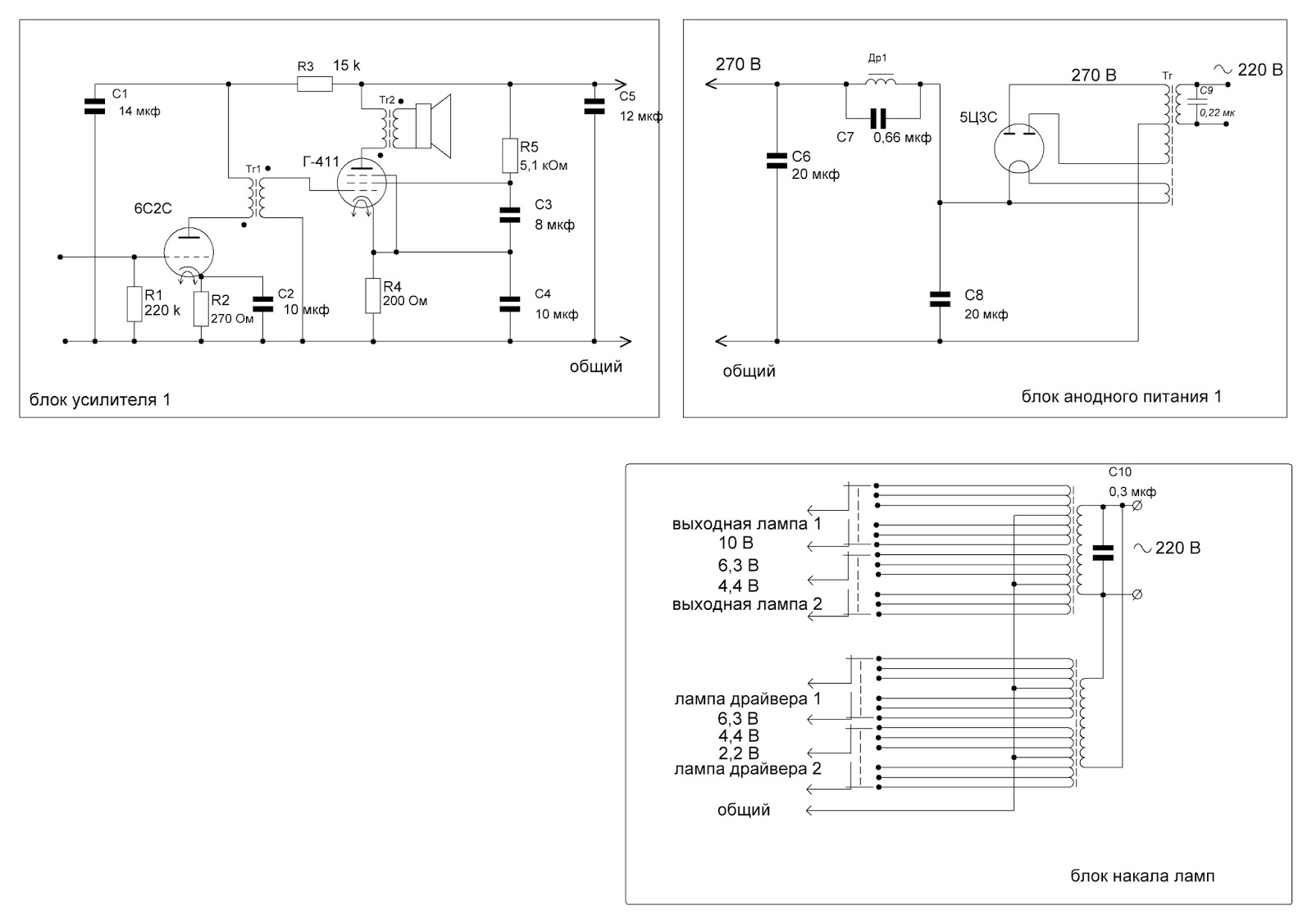
Переходим к схеме на рис.1. Используем её как базовую, и путём применения различных ламп и изменения режимов их работы, попытаемся создать аппарат, соответствующий Вашим конкретным вкусам. Как видите, схема очень проста, и состоит всего из двух каскадов, предварительного и оконечного. Я всегда придерживаюсь принципа минимально возможного количества каскадов усиления, так как добавление лишних элементов на пути сигнала приводит к ухудшению звучания. Предварительный каскад усиления – резистивный.
Поскольку расчёты каскада на резисторах есть практически в любой литературе и Интернете, я их не привожу. Считаю, что в нашем случае полезнее будет сказать о звучании ламп предварительного усилителя. При обсуждении схемы усилителя с А.

Манаковым, им была предложена лампа 6С5С, как наиболее линейная, имеющая цилиндрическую конструкцию электродной системы. На втором месте – 6С2С. Если Вы откроете справочник, то увидите, что параметры этих ламп практически одинаковы, чего не скажешь о внутренней конструкции. Этим объясняется и разница в звучании.
Несмотря на индивидуальные особенности (а они есть), обе лампы звучат очень хорошо. Недостатков я не заметил (один триод в баллоне я не считаю недостатком, скорее достоинством). Предлагаю Вам попробовать оба варианта и определиться, какой из них больше нравится, тем более что переделывать ничего не нужно. Если Вы не смогли найти эти лампы, применяйте двойной триод 6Н8С (обе половинки соединяем параллельно). Особенности такого включения описаны в моей прошлой статье «Однотактный ламповый, возвращаясь к напечатанному», поэтому повторяться не буду. Можно также использовать лампу 6Н8С без соединения половинок в параллель, в этом случае одна лампа будет работать на оба канала (экономия места налицо). Считаю необходимым сказать Вам и ещё об одном моменте.
Лампа 6С2С – это не половина лампы 6Н8С (как ошибочно считают многие «специалисты» на форумах в Интернете). Справочные данные похожи, похожа и конструкция электродной системы, однако есть и различия. За счёт большей площади анода у 6С2С, крутизна характеристики у неё выше, а реальное внутреннее сопротивление ниже, чем у половинки 6Н8С.
Коэффициент усиления при этом одинаковый (около 20). Траверсы крепления электродной системы 6С2С и 6Н8С одинаковы, однако в случае 6С2С они крепят один триод, а не два. Этим объясняется практически полное отсутствие микрофонного эффекта у 6С2С.
Как Вы понимаете, из-за этого разница в звучании (хоть и не очень большая) будет обязательно. То же самое нужно сказать и о лампе 6С41С, которая не является половиной лампы 6С33С, как многие считают. Посмотрите внимательно на паспортные значения параметров этих ламп, а также на вольт амперные характеристики. Понятно, что разница в звучании будет существенной.
Кроме этого, Вы должны помнить и о том, что реальный динамический коэффициент усиления каскада на резисторах всегда меньше статического коэффициента усиления конкретной применяемой лампы. Чтобы не загромождать статью формулами, можно считать, что процентов на 25. Таким образом, при применении лампы 6С5С (6С2С), динамический коэффициент усиления реального каскада составит 15-16. Этот момент всегда нужно учитывать при расчёте лампового каскада на резисторах. Можно вместо резистора в аноде входной лампы применить дроссель.
По мнению некоторых радиолюбителей, каскад с дросселем звучит лучше. К сожалению, не могу с ними согласиться.
Понимаю, что вкусы у всех разные, но должен высказать своё (и не только) мнение по поводу звучания таких каскадов. Если Вы любите слушать симфоническую или джазовую музыку, то каскад с дроссельной нагрузкой не самый лучший вариант. Он звучит резко, я бы даже сказал – раздражающе. Очень сильно подчёркиваются обертоны струнных и духовых инструментов. Тростевые инструменты (саксофон и т.д.) звучат неестественно, с какими то неприятными призвуками. Если у Вас есть возможность послушать оба каскада (резистивный и дроссельный) одновременно (естественно с одним и тем же оконечным каскадом), то поставьте хорошую запись Дизи Гилеспи (труба) или Дэвида Сэнборна (саксофон).
Я думаю, что разницу в звучании Вы услышите сразу. Плюсом таких каскадов можно считать максимальный динамический коэффициент усиления, близкий к статическому используемой лампы, а вот о минусах нужно сказать несколько подробнее. Как Вы знаете, дроссель является индуктивностью, лампа предварительного каскада (драйверная) имеет выходную ёмкость, а лампа оконечного каскада - соответственно входную.
В результате мы имеем резонансный контур, настроенный на частоту, которая определяется суммой этих ёмкостей и индуктивностью дросселя. F=1/2П умножить на корень квадратный из произведения LC. Вы должны знать, что при большой индуктивности дросселя, резонанс будет перемещаться из ультразвуковой области в звуковые частоты и, несмотря на то, что контур зашунтирован внутренним сопротивлением драйверной лампы, и значительно ослаблен, он всё равно присутствует. На частоте резонанса подъём может достигать до 10Дб.
И ещё один момент. Сопротивление дросселя растёт с ростом частоты, в результате мы получаем неравномерность усиления каскада (с ростом частоты она увеличивается).
Естественно, при этом удлиняется спектральный «хвост» гармоник, что не лучшим образом сказывается на звучании. Раз уж мы заговорили о предварительных каскадах, необходимо отметить, что есть много схем, авторы которых для организации смещения применяют батарейки или аккумуляторы. Многие считают, что электрохимические источники тока в цепях смещения предпочтительнее традиционного резистора и конденсатора, пагубно влияющих на звучание. Необходимо сказать, что батарейки или аккумуляторы могут стоять как в цепи сетки, так и в цепи катода. Мною были опробованы семь типов аккумуляторов и три типа батареек различных производителей, имеющихся в магазинах. Из ламп были опробованы следующие: 6Н1П, 6Н2П, 6С2С, 6С5С, 6Н8С, 6Н9С, 6С4П, 6Э5П. Аккумуляторы в катодных цепях предпочтительнее, так как нет необходимости в подзарядке (они заряжаются током лампы).
Единственное, чтобы не было перезаряда, нужно выбирать их ёмкость не менее 20.I лампы. В моём случае я выбирал ёмкость аккумуляторов в пределах 700-1000ма/ч. Первое впечатление было очень хорошим, однако по мере прослушивания обнаружился небольшой недостаток. По моему мнению, звучание приобретало некоторую «жёсткость» (в не зависимости от типа электрохимического источника тока), которой не было при применении резистора и конденсатора. Лучшие результаты были получены при применении NiCd аккумуляторов, причём стоящих в цепи катода, а не сетки. Нужно, конечно, сказать и о том, что электролитические конденсаторы в катодах я применяю Black Gate Rubicon.
Возможно, каскад с аккумулятором или батарейкой звучит лучше традиционного, особенно в случае применения китайских конденсаторов и резисторов плохого качества, снятых с компьютерных плат и блоков питания. У меня таких радиоэлементов нет, поэтому предлагаю Вам самим послушать оба варианта и выбрать тот, который больше понравится. Далее сигнал через разделительный конденсатор поступает на вход оконечного каскада, выполненного на прямонакальном триоде 6С4С. Про типы разделительных конденсаторов я писал много раз, поэтому сейчас скажу только об одном нюансе. При применении во входном каскаде ламп с небольшим коэффициентом усиления, в качестве разделительного лучше всего применять конденсаторы типа ФТ-3, К-77, К-78, а вот если в качестве драйвера применить тетрод или пентод, то бумагу в масле Jensen, К40У-9, К42У-2 и т.д.
Оконечный каскад особенностей не имеет. Лампа включена в режиме с автоматическим смещением. В прошлых статьях я описывал достоинства и недостатки фиксированного и автоматического типов смещения, поэтому повторять всё заново не имеет смысла. Выбирайте сами. Скажу лишь, что при применении электролитов Black Gate (на схеме С6 и С9), разницы в звучании практически нет, а вот недостатков, присущих фиксированному смещению, гораздо меньше. Чтобы проблем с фоном при применении 6С4С не возникло, я запитал накал постоянным током.
В случае применения диодов КД226 напряжение накала под нагрузкой составляет 6 вольт. Если Вы применяете другие диоды (обязательно «быстрые»), может появиться необходимость в корректировке напряжения накала при помощи дополнительного резистора 0,3-0,5ом. И ещё один момент. У прямонакального триода катод и накал – одно и то же, поэтому соединительные провода цепей накала должны быть высокого качества (в отличие от ламп с косвенным накалом).
Если Вы применяете лампу 2А3, то её накал можно запитать «переменкой», уровень фона у неё изначально ниже (повторюсь, из-за параллельного включения нитей накала у обоих триодов внутри баллона). Нужно сказать и о том, почему я применил трансформатор с Ra=4ком. Дело в том, что многие в своих конструкциях уже применили трансформатор фирмы «Аудиоинструмент» TW6SE, а он имеет Ra=4ком. Чтобы не тратить лишних денег на покупку нового трансформатора, используйте тот, что уже есть. Конечно, лучше применить трансформатор, габаритная мощность которого 100Вт, например TW10SE, низкие частоты в этом случае будут воспроизводиться ещё лучше, но и с TW6SE вы не будете разочарованы, поскольку габаритная мощность выходного трансформатора выбирается в пределах 20.Pвых или больше. Вообще, максимальная выходная мощность достигается при условии Ra=2Ri, где Ra – сопротивление первичной обмотки выходного трансформатора по переменному току, а Ri – внутреннее сопротивление лампы.
К сожалению, в этом случае слишком велики нелинейные искажения (около 6%). Поэтому сопротивление первичной обмотки трансформатора Ra выбирают в пределах 3-5Ri (иногда до 7Ri), как компромисс между величиной нелинейных искажений и выходной мощностью. Но нужно учесть, что мощность каскада снижается линейно, а коэффициент нелинейных искажений (КНИ) по экспоненте, со всеми вытекающими последствиями, поэтому существует понятие разумной достаточности. Кроме того, чрезмерное увеличение анодной нагрузки снижает динамику каскада. В нашем случае при применении 6С4С или 2А3, с внутренним сопротивлением Ri=800ом, это условие выполняется. Для иллюстрации вышесказанного привожу данные выходной мощности усилителя и коэффициента второй и третьей гармоники при различных значениях Ra (при 40 вольтах переменного напряжения на входе лампы, токе анода 60ма и 250 вольтах напряжения на аноде). Эти значения тока и напряжения я привёл в качестве примера совсем не случайно.
В учебниках Цыкина и Войшвилло именно такие режимы рекомендуются для достижения наилучшего качества звучания. Ra=4,0ком, Pвых=2,22Вт, 2-я гармоника 3,1%, 3-я гармоника 0,2% Ra=3,5ком, Pвых=2,4Вт, 2-я гармоника 3,4%, 3-я гармоника 0,1% Ra=3,0ком, Pвых=2,54Вт, 2-я гармоника 3,8%, 3-я гармоника 0% Ra=2,5ком, Pвых=2,7Вт, 2-я гармоника 4,4%, 3-я гармоника 0,1% Ra=2,0ком, Рвых=2,9Вт, 2я гармоника 5,3%, 3я гармоника 0,3% Надеюсь, комментарии излишни. Ток покоя, как всегда, контролируем по падению напряжения на катодных резисторах.
Если Вы примените детали, указанные на схеме, то он составит 55-60ма для лампы 6С4С и 5-6ма для лампы 6С5С. Теперь переходим к случаям, когда входное напряжение усилителя меньше двух вольт или когда в выходном каскаде применяется лампа, требующая большого напряжения раскачки (например, 6С33С). 2 приведена схема предварительного усилителя на тетроде 6Э5П в триодном включении, а на Рис.
3 в штатном тетродном включении. Вы можете спросить, почему 6Э5П? Дело в том, что экспериментируя с различными пентодами (6Ж4, 6Ж52П и т.д.), мне не удавалось получить звучание, которое полностью меня бы удовлетворило. В некоторых случаях пропадала прозрачность, в некоторых появлялась сухость и т.д. И только 6Э5П обеспечила необходимое качество звукопередачи. Общее впечатление – звучание очень похожее на триодное, только чуть ярче.
Глубокий хорошо артикулированный бас, прозрачный верх и очень детальная середина – признаки звучания 6Э5П. Моя оценка – отлично! В любом случае, выбирать и слушать Вам, а я приведу параметры лампы в триодном и штатном включении. Триодное включение: Ri=1,2ком; S=30ма/в; Кус=30-35. Тетродное включение: Ri=8ком; S=30ма/в; Кус=200. Ну как, впечатляет?
Естественно, имея такие параметры, лампа свободно сможет «раскачать» любой триод, будь то 300В, 6С41С, 6С33С, ГМ70 и т.д. Необходимо отметить, что широкополосные тетроды 6Э5П, 6Э6П с малым внутренним сопротивлением были «oткрыты» для аудио применения А. Они успешно применяются многими конструкторами в драйверах (триодный и тетродный режим) и в качестве выходных ламп. На этих же лампах в конце 2003 года А.И. Манаковым был разработан и резистивный ультралинейный каскад, тоже имеющий очень хорошее звучание. Теперь рассмотрим вариант схемы с применением межкаскадного трансформатора. Достоинствами такого включения принято считать:.
максимально возможное усиление. возможность согласования с любой нагрузкой. высокий КПД. меньшее напряжение питания каскада.
более динамичное звучание. Однако не всё так гладко. Недостатками схемы являются:.
большие габариты и масса. необходимость экранировки. высокая цена. большие фазовые искажения Если эти проблемы Вас не пугают, то на Рис.4 приведена схема предварительного каскада с применением межкаскадного трансформатора, имеющего коэффициент передачи 1:2. Особенности таких каскадов многократно описаны в различных источниках, поэтому подробно рассматривать их я не считаю нужным. Статья была бы не полной, если не привести схему усилителя, в выходном каскаде которого работает триод косвенного накала. Я выбрал 6С41С, поскольку схем с использованием этой лампы очень мало, в отличие от 6С33С.
Настоятельно рекомендую Вам попробовать эту конструкцию. Вы будете просто удивлены звучанием. По сравнению с усилителем на 6С4С или 300В, я бы охарактеризовал его как более универсальное. Усилитель одинаково хорошо и естественно воспроизводит как классическую музыку, так и современную, с большим количеством импульсных составляющих. Схема с использованием лампы 6Э5П во входном каскаде приведена на Рис.
Как всегда, она достаточно проста и хорошо повторяема, поэтому у Вас не должно возникнуть проблем при изготовлении этого варианта. Вы можете попробовать разные лампы во входном каскаде, и выбрать вариант, наиболее благозвучный для Вас. Лампа 6Э5П включена триодом, поэтому чувствительность усилителя будет 1,8-2 вольта.
Если этого недостаточно, примените схему на Рис.3 или Рис.4. Чувствительность усилителя в этих случаях будет 0,35-0,4В и 0,8-1,0В соответственно. Немного скажу о выборе режимов лампы 6С41С. Напряжение анод катод составляет 165-175 вольт, при токе через лампу около 93-95ма.
Это означает, что мощность рассеивания составит около 16 Вт, что в полтора раза меньше паспортного значения (то есть лампа работает в облегчённом режиме). Смещение -70 вольт. Если Вы также посмотрите на вольт амперные характеристики, то увидите, что рабочая точка лампы находится на линейном участке. Суммарный потребляемый ток одного канала усилителя составляет около 110ма.
Таким образом, если Вы делаете стерео усилитель, то в его блоке питания будет достаточно применить один кенотрон 5Ц3С (5U4G). Номинальный выпрямленный ток этого кенотрона составляет 220-230ма (справочное значение). Если же Вы решите увеличить ток (что вполне допустимо), то в блоке питания усилителя необходимо будет применить два, параллельно включённых кенотрона, или изготовить усилитель в виде двух моноблоков. Естественно, первичная обмотка выходного трансформатора тоже должна быть рассчитана на этот ток.
На форумах в Интернете я как-то видел обсуждение источника питания усилителя с применением телевизионных демпферных диодов, например 6Д22С. Должен Вас предупредить, что при использовании этих ламп звучание усилителя теряет объёмность и детальность, пропадает глубина сцены, такое впечатление, что музыканты находятся на одной линии. Мне такое звучание не подходит, но Вы сами вправе решить этот вопрос. Если нет желания делать блок питания на кенотронах, целесообразнее применить «быстрые» полупроводниковые диоды – «фасты» и «ультрафасты», рассчитанные на соответствующий ток и напряжение, шунтируя каждый из них конденсаторами К78-2 ёмкостью 0,01-0,022Мкф, для устранения коммутационных помех при переключении. Схема блока питания аналогична схеме, приведенной на Рис.1.
Поскольку накал лампы 6С41С питается переменным током, диоды Д1-Д8, а так же конденсаторы фильтра С12-С15, нужно исключить. Помните и о том, что ток накала одной лампы составляет 2,7 ампера, поэтому накальные обмотки силового трансформатора должны быть рассчитаны на него. Катодный резистор лампы 6С41С сильно греется, поэтому его мощность рассеивания должна быть не менее 15-20Вт.
Выходной трансформатор, применённый в данной схеме, изготовлен «Аудиоинструментом» и имеет следующие параметры: Ra=1ком; Ктр=12,5; Pгаб=100Вт; I=150ма. Сопротивление первичной обмотки постоянному току – около 150ом. Ещё лучшее качество звучания было получено при применении выходных трансформаторов, намотанных на сердечниках ОСМ-0,16, изготовленных по моей просьбе Дмитрием Андреевым, за что ему отдельное спасибо. Параметры этих трансформаторов следующие: Ra=1ком; Ктр=10,05; Pгаб=160Вт; I=200ма. Сопротивление первичной обмотки постоянному току – около 50ом. В обоих случаях смещение составило -70 вольт, а мощность рассеивания лампы 6С41С во втором случае увеличилась всего на 1Вт. Звучание приобрело ещё больший объём и детальность, расширилась полоса воспроизводимых частот (вплоть до 70kHz) и увеличилась глубина сцены.
Монтаж всех усилителей, о которых я рассказал, выполнен навесным способом, с использованием медного многожильного кабеля Kimber серии TC. Мне нравится нейтральный характер звучания этого соединителя, а также невосприимчивость его изоляции из тефлона к нагреву. Стоимость – около 30$ за метр. Но, приобретая 1 метр этого кабеля, фактически вы получаете 8 проводов по 1 метру (4 синих и 4 чёрных). Согласитесь, что 4$ за метр хорошего провода, не так уж много. Разводка «земли» выполнена «звездой», в прошлой статье я подробно описывал этот способ. Фон переменного тока слышен только в том случае, если поднести ухо вплотную к акустической системе.
Если это не так, нужно повозиться с взаимным расположением радиоэлементов. В моём случае дроссели блока питания находятся в подвале шасси, а силовой и выходные трансформаторы сверху. Ну вот, вроде и всё. В заключении, я хотел бы поблагодарить моего друга А.И. Манакова e-mail: Этот адрес e-mail защищен от спам-ботов. Чтобы увидеть его, у Вас должен быть включен Java-Script за постоянные консультации и помощь в редактировании этой статьи (все схемы были лично опробованы Анатолием Иосифовичем задолго до меня), а также за присланные им лампы 6Э5П и 6С41С.
Должен сказать Вам также и о том, что особенности восприятия музыки очень индивидуальны, поэтому не стоит зацикливаться на каких-то отдельно взятых схемах или лампах. Не только прямонакальные триоды обеспечивают высококачественное звучание. И пентоды, и триоды косвенного накала при грамотном построении схемы, правильном выборе рабочей точки и режимов, ничуть не хуже. Поэтому учитесь, пробуйте, слушайте, экспериментируйте. Нельзя забывать о теории электровакуумных приборов и построения усилителей на них, чтобы не было пустых «наитий» и «откровений свыше».
Только в этом случае Вы сможете создать аппарат, который будет полностью соответствовать Вашим музыкальным вкусам. С уважением, г.
В закрытом объеме прибора создается высокий вакуум (давление остаточного газа не превышает обычно 10 -6—10 -5 мн/см 2). Катод диода накаливается током, получаемым от вспомогательного источника (аккумуляторной батареи) или от сети переменного напряжения через трансформатор. Под действием высокой температуры катод испускает (эмиттирует) электроны. Анод прибора принимает электроны, перемещающиеся к нему через вакуумное пространство под действием электрического поля. Такое поле возникает между анодом и катодом при сообщении аноду положительного потенциала по отношению к катоду. При том высоком вакууме, который создается в электронных приборах, плотность оставшегося в баллоне разреженного газа настолько невелика, что электроны проходят от катода к аноду, почти не сталкиваясь с молекулами оставшегося газа.

При противоположной полярности, когда анод отрицателен по отношению к катоду, электрическое поле анода тормозит электроны, и поэтому после выхода их из катода они вновь к нему возвращаются. В этом состоянии ток через прибор не проходит. Способностью пропускать ток только в одном направлении и определяются вентильные свойства электронного диода. Если вентиль включить в цепь переменного напряжения, то ток через вентиль проходит только в течение положительного полупериода.
В течение отрицательного полупериода тока в цепи практически нет. 1,2 — аноды; 3 — катод; 4 — стеклянный баллон Количество электронов, эмиттируемых катодом в секунду и определяющих собой ток эмиссии, зависит от физических свойств материала катода, температуры его нагрева и величины рабочей поверхности Sк катода.
Эмиссионный ток может быть вычислен по формуле, выведенной Ричардсоном и Дешманом: Iэ = Sк A T 2e -11600ф/Т где Iэ. — ток эмиссии, а; А — физическая постоянная, численное значение которой зависит от материала катода; Т — температура катода, °К; ф — работа выхода (эв), определяющая собой ту добавочную энергию, которую надо сообщить электронам, чтобы обеспечить их выход из катода. Наиболее часто в электронных диодах (кенотронах) применяются оксидные катоды. Такие катоды представляют собой нанесенный на никель тонкий слой смеси из окислов щелочноземельных металлов (бария, стронция и кальция). У таких катодов значение постоянной А лежит в пределах (2,0—3,0) х 10 -3 а/см 2 х град 2, а ф = 0,81 — 1,4 эв. В некоторых типах кенотронов применяются также катоды из чистого вольфрама, у которых значение постоянной А лежит в пределах 60—212 а/см 2 х град 2, а ф = 4,52 эв. Более низкие значения ф у оксидных катодов по сравнению с вольфрамовыми обеспечивают значительно более высокие их эмиссионные свойства, несмотря на меньшие значения постоянной А.
Смотреть Фильмы В Качестве 1080
Поэтому требующуюся плотность эмиссионного тока у оксидных катодов можно получать при более низких рабочих температурах (1000—1100° К), нежели у вольфрамовых катодов, которые требуется нагревать до 2300—2500 ° К. Меньшие температуры нагрева катода обеспечивают более высокую его экономичность (определяемую по мощности, затрачиваемой на нагрев катода, для получения тока эмиссии в 1 с) в связи с меньшим количеством бесполезно рассеиваемого тепла. Конструктивно катоды выполняются либо в виде нитей определенной конфигурации (рис. А), непосредственно накаливаемых током (катоды прямого накала), либо в виде покрытого оксидным слоем никелевого цилиндра (рис. Б), внутри которого размещен изолированный нагреватель (катоды косвенного накала). Зависимость эмиссионного тока Iэ от температуры катода характеризуется круто нарастающей кривой (рис. В), называемой эмиссионной характеристикой катода.
На оси абсцисс нанесены значения тока накала (иногда и напряжение накала), которые связаны с температурой катода Тк. Замена Тк напряжением или током накала облегчает контроль эмиссионного режима катода в период эксплуатации ламп.
В Качестве Синоним
Количественная связь между анодным током и анодным напряжением в режиме объемного заряда (пока не все электроны, покидающие катод, достигают анода) может быть найдена из решения уравнения Пуассона, связывающего потенциал пространства с плотностью р объемного заряда. Решение этого уравнения после замены плотности р заряда плотностью тока j а и с учетом граничных условий приводит для диода с плоскими электродами к равенству, полученному Ленгмюром и Чайльдом: j а = 2,33 х 10 -6 х Uа 3/2 / l 2 а/см 2 (1) где l — расстояние между катодом и анодом, см; Uа - анодное напряжение,. При полезной площади Sa (см 2) анода анодный ток Iа = 2,33. 10 -6 х (Sа / l 2) х Uа 3/2 = g х Uа 3/2 a (2) где g — коэффициент, включающий все постоянные величины, в уравнении, относящемся к данной лампе. При цилиндрической конфигурации электродов расстояние l между электродами равно разности радиусов анода и катода. Сопоставляя выражения (1) и (2) с законом Ома для линейных металлических проводников, видим, что: анодный ток в вентиле пропорционален не первой степени напряжения (как это соответствует закону Ома), а степени 3/2; эти уравнения называют поэтому законом степени трех вторых; при заданном напряжении Uа ток обратно пропорционален не первой, а второй степени расстояния между электродами; числовой коэффициент пропорциональности (2,33 х 10 -6), который можно в какой-то степени сравнивать с удельной электропроводностью, значительно меньше, чем у металлических проводников.
Новинки Кино В Качестве
В результате указанных отличий напряжение, которое требуется приложить к электронному (высоковакуумному) прибору, много больше необходимого напряжения для пропускания того же тока через металлический проводник тех же размеров. Все это объясняется влиянием отрицательного поля объемного заряда, которого нет в металлах, поскольку объемный заряд электронов компенсируется в нем зарядом положительных ионов кристаллической решетки.